Product Summary
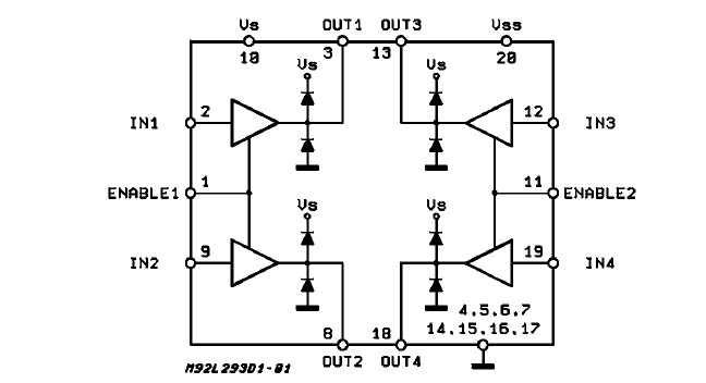
The L293DD is a push-pull four channel driver. The L293DD is a monolithic integrated high voltage, high current four channel driver designed to accept standard DTL or TTL logic levels and drive inductive loads (such as relays solenoides, DC and stepping motors) and switching power transistors. To simplify use as two bridges each pair of channels is equipped with an enable input. A separate supply input is provided for the logic, allowing operation at a lower voltage and internal clamp diodes are included. The L293DD is suitable for use in switching applications at frequencies up to 5 kHz.
Parametrics
L293DD absolute maximum ratings: (1)Supply Voltage : 36 V; (2)Logic Supply Voltage : 36 V; (3)Input Voltage : 7 V; (4)Enable Voltage : 7 V; (5)Peak Output Current (100 μs non repetitive) : 1.2 A; (6)Total Power Dissipation at Tpins = 90 ℃ : 4 W; (7)Storage and Junction Temperature : - 40 to 150 ℃.
Features
L293DD features: (1)600mA output current capability per channel; (2)1.2A peak output current (non repetitive) per channel; (3)enable facility; (4)over temperature protection; (5)logical "0" input voltage up to 1.5 V (high noise immunity); (6)internal clamp diodes.
Diagrams

| Image | Part No | Mfg | Description | ![]() |
Pricing (USD) |
Quantity | ||||||||||||
|---|---|---|---|---|---|---|---|---|---|---|---|---|---|---|---|---|---|---|
![]() |
![]() L293DD |
![]() STMicroelectronics |
![]() Motor / Motion / Ignition Controllers & Drivers Push-Pull 4-Channel |
![]() Data Sheet |
![]()
|
|
||||||||||||
![]() |
![]() L293DD013TR |
![]() STMicroelectronics |
![]() Motor / Motion / Ignition Controllers & Drivers Push-Pull 4-Channel |
![]() Data Sheet |
![]()
|
|
||||||||||||
![]() |
![]() L293DDWP |
![]() Texas Instruments |
![]() IC QUADRUPLE HALF-H DRIVER |
![]() Data Sheet |
![]() Negotiable |
|
||||||||||||
(China (Mainland))









